芯城品牌采购网 > 品牌资讯 > 技术方案 > 基于MAX6603信号调理器的PC温度测量系统的步骤
芯城品牌采购网
22615
本应用笔记是基于PC的温度测量系统的参考设计。它使用MAX1396和MAX6603EVKIT,MAXQ2000微控制器和MAX6603信号调理器。该设计提供了一种简便的方法,无需复杂的转换公式即可从MAX6603获取温度读数。提供了原理图,框图和软件。

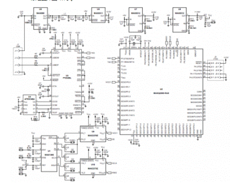
MAX6603EVKIT原理图
MAX1396EVKIT包括一个MAX1396器件,一个MAXQ2000微控制器,所有必需的无源元件以及经过验证的PCB布局。MAX1396EVKIT原理图如图2所示。

MAX1396EVKIT原理图
Windows®程序概述
该程序(图3)具有易于使用的图形用户界面,与Windows 98SE / 2000 / XP兼容。它在屏幕上显示MAX6603EVKIT的输出电压以及铂热敏电阻的相应温度读数。

该参考设计的软件测量评估板的温度和MAX6603的电压。
通过USB电缆将MAX1396EVKIT连接至PC后,MAXQ2000等待Windows程序发出的命令。启动程序,将出现一个类似于图3的窗口。如果消息框显示“未检测到虚拟COM端口”,请关闭程序,重新连接USB电缆,然后重新启动程序。
软件启动后,默认情况下会选中“自动读取”框。该软件会连续向MAX1396EVKIT发送Read Temp命令,以测量MAX6603EVKIT的OUT1电压。以“时间间隔”下拉菜单设置的速率读取温度。软件收到测得的OUT1电压值后,相应的温度值将显示在屏幕的左上角。
免责声明:
文章内容转自互联网,不代表本站赞同其观点;
如涉及内容、图片、版权等问题,请联系2644303206@qq.com我们将在第一时间删除内容!